FY-APF有源滤波装置
- 所属分类:有源滤波柜APF
- 添加时间:2023-04-19
-
简要说明:
随着电力电子技术的广泛应用,如今各种负载大部分都是非线性负载,如在化工、钢铁、煤矿和交通等部门大量使用各种变频器、电弧炉等,以及照明电器UPS、电脑、电梯、空调、等等,这些非线性负载会产生大量的谐波电流并注入到电网中,使电网电压产生畸变,这种“谐波污染”会对电网和用户带来越来越多的影响和危害。
滤波原理
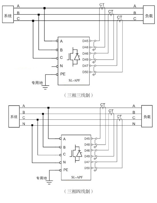
FY-APF通过外部互感器实时采集电流信号,通过内部检测电路分离出其中的谐波部分,通过IGBT逆变出与系统中的谐波大小相等相位相反的补偿电流,实现滤除谐波的功能。
无功补偿原理
可以通过参数设置,使SL-APF在滤波的同时进行无功补偿。FY-APF根据检测系统的无功需求,通过内部IGBT逆变出容性或感性的基波电流,实现动态无功补偿。
SL-APF内部控制原理
断路器合闸后,FY-APF首先将充电接触器合闸通过预充电电阻对直流母线的电容器充电,即为防止上电后对直流母线电容器的瞬间冲击,8秒钟后,当母线电压Vdc达到额定值后,预充电接触器闭合。然后FY-APF通过斩波升压控制直流母线电容电压稳定在目标值。
FY-APF通过外部CT采集电流信号送至谐波检测模块,该模块将基波与谐波分离,将谐波成分送至检测模块,该模块将采集到的负载谐波成分和FY-APF输出补偿电流比较,得到的差值作为实时补偿信号输出到驱动电路,出发IGBT逆变器将补偿电流注入到电网中,实现滤除谐波功能。
产品特征
● 谐波滤除效率高,可以对从2-25次谐波之间进行有选择性的滤除或者全部的谐波补偿。
● DSP+FPGA全数字控制,高速检测和运算,对于变化较为频繁的谐波能够实行快速的补偿。
● 可根据负荷变化自动限流,不存在过载现象。
● 可以只滤波或同时滤波和补偿无功。
● 操作简单,维护方便,并联安装方式,可实现多台并联运行。
● 按照配电结构,可选择集中补偿、分散补偿。
● 采用10.2英寸高清晰触摸屏,友好人机界面,提供完整现场信息及历史记录信息。
● 具备输出过电流、直流侧过电压、直流侧欠电压、交流侧过电流、交流侧过电压、IGBT死区保护以及IGBT综合保护等多种保护功能,确保在系统或设备出现运行异常时,可靠地使设备退出运行或保护系统及设备。
● 有效消除零序谐波及其产生的中性线电流。
● 采用光纤对功率组件与控制回路进行隔离。
● 电缆可从装置柜体顶部或底部进入,使得安装更加灵活。
技术规格/参数
| 电气特征 | 额定电压(V) | AC380±15%,ZC690±15% | ||||
| 额定频率(HZ) | (+/-2%)50HZ | |||||
| 电气接线 | 三相三线/三相四线 | |||||
| z大滤波电流 | 30A | 50A | 100A | 150A | 200A | |
| CT的要求 | 需要3个CT,5VA,CT二次侧电流为5A | |||||
| 性能特征 | 滤波范围 | 2-50次谐波(可以选择滤除特定次数谐波) | ||||
| 滤波能力 | <5%THDi | |||||
| 无功补偿 | 模式可选,自动容量控制 | |||||
| 有效反应时间 | 10ms(滤波10%-90%) | |||||
| 过载能力 | 自动限流在100%额定输出 | |||||
| 运行方式 | 单台或多台并联运行 | |||||
| 控制特征 | 控制器 | 数字式、DSP+FPGA | ||||
| IGBT开关频率 | 平均20KHZ | |||||
| 控制连接 | 光纤 | |||||
| 通信功能 | RS485/232/以太网和CAN总线 | |||||
| 结构特征 | 防护等级 | IP20(或IP50,有要求时) | ||||
| 整体结构 | 壁挂式单柜 落地式单柜 | |||||
| 冷却方式 | 强迫风冷 | |||||
| 安装方式 | 固定方式可选、电缆进线方式可选 | |||||
| 运行环境 | 环境温度 | -5℃-+15℃ | ||||
| 存储温度 | -40℃-+65℃ | |||||
| 相对湿度 | z大95%,无凝露 | |||||
| 绝缘耐压 | 主电路与地(外壳)之间绝缘电阻。在环境温度为20℃相对湿度为90%时,绝缘电阻不小于10MΩ(采用2500∨兆欧表) | |||||
| 电磁兼容 | 符合GB/T725.1-2005(GB/T7261-2000)包括衰减震荡谐波冲群干扰、静电放电干扰、辐射电磁场干扰、快速瞬变干扰、浪涌(冲击)抗扰度、电压中断抗扰度、电磁发射实验等 | |||||
现场安装与链接

选型与安装
选型时无须测量系统电源阻抗、分析负载谐波的频谱。只要依据已知需要补偿的谐波电流总有效值(IH)大小,选用一款输出补偿电流大于该值的产品即可。一般来说,推荐选用有源滤波器补偿电流比IH大20%左右。例如,已知IH为80A,那么可选100A级的有源滤波器。